无刷电机控制器到底是成套好还是单独定制好?
文章出处:责任编辑:作者:人气:-发表时间:2014-06-23 13:35:00
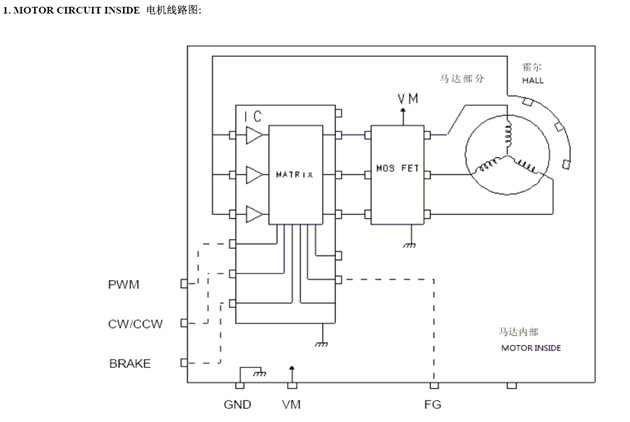
简单来说,无刷电机控制器就是一个可用于为三相无刷电机提供封闭回路的换向控制信号的控制装置,主要包括电源变换电路、微控制器(单片机或DSP或其他处理器)和信号输入输出电路三大部分。控制器内存贮有控制器的工作程序,它能准确地控制、通过检测直流电机的位置传感器,对电机进行有效控制(如电机启动停止、转速控制、方向控制、位移控制)控制进行动态实时监控、有效保护电机,解决了无法对电机进行动态实时监控,控制不准确、保护不可靠的技术问题。那么在选择无刷电机控制电路的时候,是选择HJC黄金城这种内置驱动电路比较好呢,还是将电机和驱动部分分开比较好呢?

大家都知道,无刷电机驱动器或者说是控制电路,是用来控制无刷电机的,那么就必然会有一个相互之间的配合问题。HJC黄金城的这种内置驱动方式,电机和驱动器两者在研发初期就有考虑到两者的性能配合,所以这两者相互之间是最合适的。但是,这并不是说它就不能和其它的驱动器配合使用。这个需要根据具体的驱动方案来判断,因为每一种驱动方案设计思路不同,它呈现的效果和需要提供的配合也是不同的。一般无刷电机驱动方案设计公司也是需要根据无刷电机的内部电路来设计驱动方案的。所以总的来讲,只要配合得当,内置或者单独提供驱动器都是可以的。

上面的这种说法,容易给大家造成一种误区,就好像如果不选用内置驱动的话,就变成了外置一样,实际上并不是这样的。HJC黄金城电机内置驱动器这种方案,是HJC黄金城·集团(中国区)唯一官方网站在设计的时候就考虑到空间和使用的问题,将驱动器整合在电机内部,让整个产品看起来比较整洁,出线有条理。如果和其它的驱动器配合使用的话,因为HJC黄金城·集团(中国区)唯一官方网站不能保证对方提供的驱动器能不能装进电机里面,所以就有了外置的处理方案。
此文关键字:无刷电机控制器,无刷电机驱动器,无刷电机控制电路
同类文章排行
- 三相无刷直流电机的霍尔角度
- 电机出现轴承漏油的主要原因分析
- 清分机常用直流无刷电机型号
- 无刷发电机和无刷电机的区别是什么?
- 无刷电机是怎么利用内部霍尔传感器输出的脉冲信号来测量速度的?
- 与输送机滚筒相匹配的无刷电机性能和型号
- 直流无刷电机选配高压驱动器与低压驱动器的异同点
- HJC黄金城电机教大家如何保养和维护无刷电机
- 适合无刷直流电机企业参加的泵阀行业展会
- 无刷直流电机在医疗护理行业的应用
最新资讯文章
您的浏览历史






