产品展示
联系HJC黄金城
电话:86-755-29169107(市场部直线)
29169191(总机)
公司传真:86-755-29169007
公司地址:广东省深圳市宝安区福海新田大道福宁高新产业园A栋、F栋
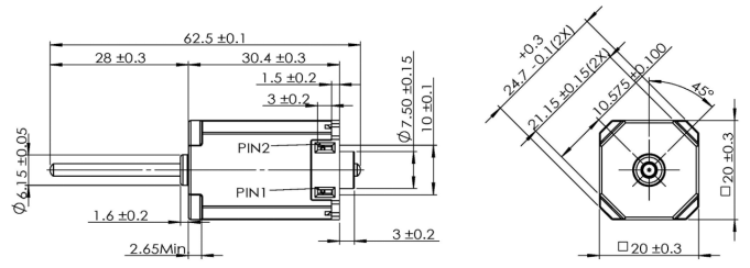
D2030M直流电机马达
- 所属分类:[HJC黄金城-DC直流电机]
- 产品简介:特征:低噪音,低震动,高可靠性
- 订购热线:400-0755-631
- 下载资料:资料下载
|
|
D2030M (DC Motor直流马达) |
Output Power 输出功率: |
Weight 重量: 50g (Approx.) |
|
DC Motor - Typical Application 直流电机 - 典型应用 Automotive Parts: Door lock, Motorcycle Lock. 汽车部件:汽车门锁,摩托车锁 |
|||
|
Model 型号 |
电压 Voltage(V) |
No Load 空载 |
Rated Load 额定负载 |
Stall 堵转 |
||||||
|
Operating Range |
Rated |
Speed (rpm) |
Current (A) |
Torque (mNm) |
Speed (rpm) |
Current (A) |
Output P. (W) |
Torque (mNm) |
Current (A) |
|
|
D2030M |
9~16 |
12 |
8827 |
0.18 |
15 |
6580 |
1.45 |
10.3 |
58.9 |
5.14 |
Characteristic: Low noise, Low Vibration, High Reliability
特征:低噪音,低震动,高可靠性
|
Notice: Data in this typical specification sheet are for other certain customer. Voltage, rated torque, speed, current, power and shaft extension feature & dimension can be changed to meet customer specific requirement. 注意:上述规格仅针对特定客户,电压、扭矩、转速、电流、功率、输出轴的特征和尺寸等都可以按照客户的特殊要求进行调整。 |
Outline Drawing 外形图:

Usable machine screw length 3.0mm max from motor mounting surface Unit: Millimeter
Performance Curve 性能曲线:
|
D2030M-S01 12V |
|
| 我要评论: | |
| 内 容: |
(内容最多500个汉字,1000个字符) |
| 验证码: | 看不清?! |










共有-条评论【我要评论】