产品展示
联系HJC黄金城
电话:86-755-29169107(市场部直线)
29169191(总机)
公司传真:86-755-29169007
公司地址:广东省深圳市宝安区福海新田大道福宁高新产业园A栋、F栋
B9080M 直流无刷电机
- 所属分类:[全部HJC黄金城直流无刷电机]
- 产品简介:特征:双转向,信号功能,锁定保护,无极调速,低噪音,低电磁干扰,超长寿命10000-50000小时
- 订购热线:400-0755-631
- 下载资料:资料下载
|
|
B9080M |
Output Power 输出功率: 150W~600W |
Weight 重量: 1200g (Approx.) |
|
Brushless DC Motor-Typical Application 直流无刷电机-典型应用 Automobile Parts: Auto Pumps, Fan, Electro Carrier, Auto Actuator 汽车部件:汽车泵,风机,电动小车,汽车致动器 Home Application: Electric Window, Electric Door, Blender, Shredder, Meat Grinder 家用电器:电动窗,电动门,搅拌机,绞肉机,粉碎机 Medical Apparatus: Medical Bed, Electric Wheel Chair, Surgery Tools, Operating Table, 医疗器械:医疗床,电动轮椅,手术器械,手术台,离心机 Power Tools: Screwdriver, Drill, Air Compressor 电动工具:电动螺丝批,电钻,气体压缩机 Industry Equipment: Power Machine, Transmission gear equipment 工业设备:动力、传动设备 Personal Life Product: Massager, Sport Apparatus 个人生活产品:按摩器,运动器材 |
|||
|
Model 型号 |
Voltage(V) 电压 |
No Load 空载 |
Rated Load 额定负载 |
Stall 堵转 |
||||||
|
Operating Range |
Rated |
Speed (rpm) |
Current (A) |
Torque (mNm) |
Speed (rpm) |
Current (A) |
Output P. (W) |
Torque (mNm) |
Current (A) |
|
|
B9080M-S01 |
8-26 |
24 |
3380 |
0.74 |
500 |
2820 |
7.75 |
147.5 |
3002 |
30 |
|
B9080M-S02 |
8-26 |
24 |
2901 |
0.73 |
1000 |
2261 |
11.38 |
236.8 |
4501 |
30 |
|
B9080M-S03 |
8-26 |
24 |
5974 |
1.03 |
800 |
4782 |
20.73 |
400.6 |
4009 |
50 |
|
B9080M-S04 |
8-26 |
24 |
5986 |
1.03 |
1300 |
4412 |
33.05 |
600.6 |
4943 |
50 |
|
B9080M-S05 |
8-26 |
24 |
3400 |
1.73 |
1801 |
2481 |
26.76 |
468.1 |
6664 |
50 |
Characteristic: CW & CCW, Signal function available, Locked rotor protection, Stepless speed regulation, Low noise, Low EMI, Long life 10000-50000hrs 特征:双转向,信号功能,锁定保护,无极调速,低噪音,低电磁干扰,超长寿命10000-50000小时
|
Notice: Data in this typical specification sheet are for other certain customer, the specific BLDC motor performance and dimension can be changed by adjusting winding, magnetic field, controller parameter and relevant mechanical factor to meet different customer requirement. 注意:上述规格仅针对特定客户,对于您的特殊要求,可以通过调整绕组、磁场、控制参数和相关机械参数来达到您的不同要求。 |
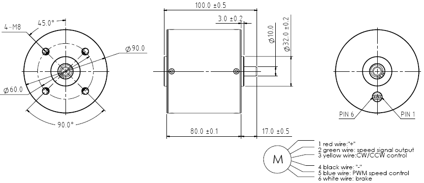
Outline Drawing 外形图:
|
Usable machine screw length 8.0mm max. from motor mounting surface |
Unit: Millimeter |
Performance Curve 性能曲线:
|
B9080M-S02 24V |
B9080M-S04 24V |

相关资讯
| 我要评论: | |
| 内 容: |
(内容最多500个汉字,1000个字符) |
| 验证码: | 看不清?! |










共有-条评论【我要评论】