产品展示
联系HJC黄金城
电话:86-755-29169107(市场部直线)
29169191(总机)
公司传真:86-755-29169007
公司地址:广东省深圳市宝安区福海新田大道福宁高新产业园A栋、F栋
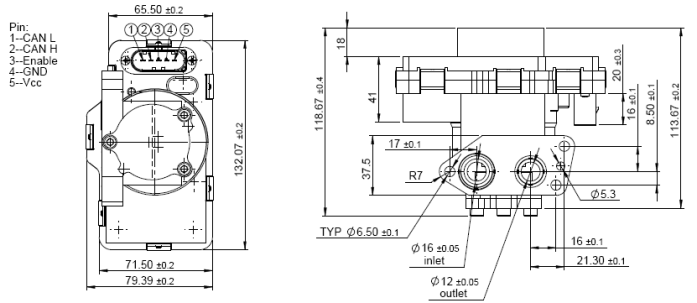
B6020P无刷直流电机泵
- 所属分类:[全部HJC黄金城直流无刷电机]
- 产品简介:Characteristic:High efficiency, Low noise, Low EMI, Long life 30000hrs 特征:高效率,低噪音,低电磁干扰,超长寿命30000小时
- 订购热线:400-0755-631
- 下载资料:资料下载
|
|
B6020P |
Flow Rate输出:0-20L/min |
Weight 重量: 1.2kg(Approx.) |
|
Brushless DC Pump-Typical Application(In Development) 无刷直流电机泵-典型应用(研发中) Specialized for Auto Electric Oil Pump 专用于汽车电子油泵 |
|||
|
Model 型号 |
Voltage(V) 电压 |
No Load 空载 |
Max Flow Rate 最大输出 |
Stall堵转 |
||||||
|
Operating Range |
Rated |
Speed (rpm) |
Current (A) |
Torque (mNm) |
Speed (rpm) |
Current (A) |
Output (L/Min) |
Torque (mNm) |
Current (A) |
|
|
B6020P-S01 |
8-26 |
12 |
- |
- |
- |
5000 |
- |
20 |
- |
- |
Characteristic: High efficiency, Low noise, Low EMI, Long life 30000hrs 特征:高效率,低噪音,低电磁干扰,超长寿命30000小时
|
Notice: Data in this typical specification sheet are for other certain customer. Voltage, rated torque, speed, current, power and shaft extension feature & dimension can be changed to meet customer specific requirement. 注意:上述规格仅针对特定客户,电压、扭矩、转速、电流、功率、输出轴的特征和尺寸等都可以按照客户的特殊要求进行调整。 |
Outline Drawing 外形图:
Unit: Millimeter
Performance Curve 性能曲线:
|
B6020P-S01 12V |
|
相关资讯
| 我要评论: | |
| 内 容: |
(内容最多500个汉字,1000个字符) |
| 验证码: | 看不清?! |



.png)






共有-条评论【我要评论】