产品展示
联系HJC黄金城
电话:86-755-29169107(市场部直线)
29169191(总机)
公司传真:86-755-29169007
公司地址:广东省深圳市宝安区福海新田大道福宁高新产业园A栋、F栋
B3260S无刷直流电机
- 所属分类:[全部HJC黄金城直流无刷电机]
- 产品简介:特征:单转向,信号功能,锁定保护,无级调速,低噪音,低电磁干扰,超长寿命10000-30000小时
- 订购热线:400-0755-631
- 下载资料:资料下载
|
|
B3260S |
Output Power 输出功率: 1W ~ 30W |
Weight 重量: 186g (Approx.) |
|
Brushless DC Motor-Typical Application 直流无刷电机-典型应用 Rehabilitation Apparatus: Fascia Gun, Massager 康复设备:筋膜枪,按摩器 Industry & Business Equipment: Pumps, Valves, Fan, Linear Direct Drive 工商业设备:泵,阀,风机,线性直驱 Others: Micro Direct Drive PTZ(pan-tilt-zoom) 其它:小型直驱云台 |
|||
|
Model 型号 |
Voltage(V) 电压 |
No Load 空载 |
Rated Load 额定负载 |
Stall 堵转 |
||||||
|
Operating Range |
Rated |
Speed (rpm) |
Current (A) |
Torque (mNm) |
Speed (rpm) |
Current (A) |
Output P. (W) |
Torque (mNm) |
Current (A) |
|
|
B3260S-S01 |
8-15 |
12 |
3200 |
0.34 |
90 |
2380 |
2.98 |
22.4 |
350 |
4.0 |
Characteristic: CCW, Signal function available, Locked rotor protection, Stepless speed regulation, Low noise, Low EMI, Long life 10000-30000hrs 特征:单转向,信号功能,锁定保护,无级调速,低噪音,低电磁干扰,超长寿命10000-30000小时
|
Notice: Data in this typical specification sheet are for other certain customer. Voltage, rated torque, speed, current, power and shaft extension feature & dimension can be changed to meet customer specific requirement. 注意:上述规格仅针对特定客户,电压、扭矩、转速、电流、功率、输出轴的特征和尺寸等都可以按照客户的特殊要求进行调整。 |
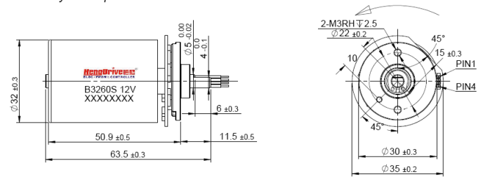
Outline Drawing 外形图:

|
|
Unit: Millimeter |
Performance Curve 性能曲线:
|
|
相关资讯
| 我要评论: | |
| 内 容: |
(内容最多500个汉字,1000个字符) |
| 验证码: | 看不清?! |










共有-条评论【我要评论】