产品展示
联系HJC黄金城
电话:86-755-29169107(市场部直线)
29169191(总机)
公司传真:86-755-29169007
公司地址:广东省深圳市宝安区福海新田大道福宁高新产业园A栋、F栋
B5685G 无刷直流减速电机
- 所属分类:[HJC黄金城-减速齿轮电机]
- 产品简介:双转向,信号功能,锁定保护,无极调速,低噪音,低电磁干扰,超长寿命10000-30000小时
- 订购热线:400-0755-631
- 下载资料:资料下载
|
|
B5685G |
Output Power 输出功率: 40W~300W |
Weight 重量: 780g (Approx.) |
|
Brushless DC Gear Motor-Typical Application 无刷直流减速电机-典型应用 Home Application: Electric Door, Electric Window, Electric Curtain, Electric Awning 家用电器:电动门,电动窗,电动窗帘,电动遮阳棚, Industry Facility: Transmission Equipment, Gear System, Actuator 工业设备:传动机械,齿轮系统,致动器 Electronic Equipment: Electric Valve, Switcher, Lighting Adjustor, Small Percussion Drill 电控设备:电动阀门,切换器,灯光调节器,电动扳手 Business Equipment: Electric Gate, Banking Facility, ATM, Vending Machine 商业设备:电动门禁,银行设施,ATM机,售卖机 Personal Care: Massager 个人护理:按摩器 |
|||
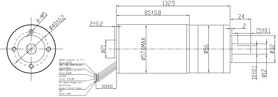
Outline Drawing 外形图: (Unit: Millimeter)
Torque & Speed List: 力矩和转速列表 Gear Box Characteristic齿轮箱特征: 

相关资讯
| 我要评论: | |
| 内 容: |
(内容最多500个汉字,1000个字符) |
| 验证码: | 看不清?! |










共有-条评论【我要评论】