产品展示
联系HJC黄金城
电话:86-755-29169107(市场部直线)
29169191(总机)
公司传真:86-755-29169007
公司地址:广东省深圳市宝安区福海新田大道福宁高新产业园A栋、F栋
B2430M 直流无刷电机
- 所属分类:[全部HJC黄金城直流无刷电机]
- 产品简介:特征:双转向,信号功能,锁定保护,无级调速,低噪音,低电磁干扰,超长寿命3000-15000小时
- 订购热线:400-0755-631
- 下载资料:资料下载
|
|
B2430M |
Output Power 输出功率: 1W~8W |
Weight 重量: 51g (Approx.) |
|
Brushless DC Motor-Typical Application 直流无刷电机-典型应用 Automotive Parts: Pump 汽车部件:微型泵 Home Application: White Goods, Small Appliance, Fanner, Electric Curtain 家用电器:白色家电,小家电,电风扇,电动窗帘 Medical Apparatus: Medical Pump, Blood Pressure Meter, Surgery Tools, Medical Stirrer, 医疗器械:医疗泵,血压计,手术器械,搅拌机,离心机 Industry Equipment: Electric Valve, Portable Screwdriver, Air Pump, Water Pump,Vacuum Pump 电动工具:电动阀门,手持电批,气泵,水泵,真空泵 Business Equipment: Printer, Copier, Projector, Scanner, Cash Register 商业设备:扫描仪,点钞机 Personal Care: Hair Dryer, Electric Shaver, Massager 个人护理:风筒,电动须刨,按摩器 |
|||
|
Model 型号 |
电压 Voltage(V) |
No Load 空载 |
Rated Load 额定负载 |
Stall 堵转 |
||||||
|
Operating Range |
Rated |
Speed (rpm) |
Current (A) |
Torque (mNm) |
Speed (rpm) |
Current (A) |
Output P. (W) |
Torque (mNm) |
Current (A) |
|
|
B2430M-S01 |
5-12 |
6 |
5380 |
0.23 |
3.92 |
4720 |
0.61 |
1.94 |
13.2 |
1.5 |
|
B2430M-S02 |
5-12 |
9 |
5390 |
0.11 |
9.81 |
3750 |
0.71 |
3.85 |
23.2 |
1.5 |
|
B2430M-S03 |
8-26 |
12 |
8800 |
0.155 |
9.81 |
6330 |
0.85 |
6.51 |
35.16 |
2.66 |
|
B2430M-S04 |
8-26 |
24 |
4570 |
0.05 |
6.87 |
3510 |
0.18 |
2.53 |
29.59 |
0.64 |
Characteristic: CW & CCW, Signal function available, Locked rotor protection, Stepless speed regulation, Low noise, Low EMI, Long life 3000-15000hrs
特征:双转向,信号功能,锁定保护,无级调速,低噪音,低电磁干扰,超长寿命3000-15000小时
|
Notice: Data in this typical specification sheet are for other certain customer. Voltage, rated torque, speed, current, power and shaft extension feature & dimension can be changed to meet customer specific requirement. 注意:上述规格仅针对特定客户,电压、扭矩、转速、电流、功率、输出轴的特征和尺寸等都可以按照客户的特殊要求进行调整。 |
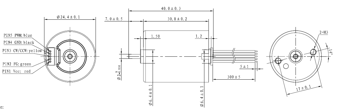
Outline Drawing 外形图:
|
Usable machine screw length 2.0mm max. from motor mounting surface |
Unit: Millimeter |
Performance Curve 性能曲线:
|
B2430M-S03 12V |
B2430M-S04 24V |
相关资讯
| 我要评论: | |
| 内 容: |
(内容最多500个汉字,1000个字符) |
| 验证码: | 看不清?! |










共有-条评论【我要评论】